This section will provide some basic information about the geology of the Durham Coalfield and some interesting images relating to the coal extraction methods. We are not geologists or mining engineers therefore in-depth explanations will be lacking! Should any statement be incorrect then you are invited to offer comments “to put the matter right”.
UK COALFIELDS

THE NORTHERN COALFIELDS

THE NORTHUMBERLAND & DURHAM COALFIELD
FORMERLY CALLED THE GREAT NORTHERN COALFIELD

A SECTION ACROSS THE DURHAM COALFIELD

A CROSS SECTION THROUGH THE COALFIELD FROM EAST TO WEST
TO SHOW SOME OF THE NAMED COAL SEAMS

LOCAL NAMES FOR SEAMS

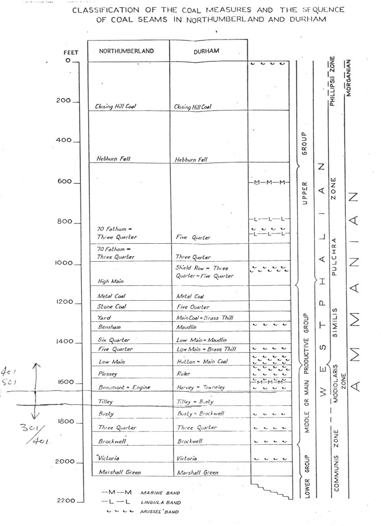
CLASSIFICATION OF THE COAL MEASURES AND THE SEQUENCE OF COAL SEAMS IN NORTHUMBERLAND AND DURHAM
Because the same coal seams were given different names, the mining engineers introduced a simple alphabetic system to identify coal seams thus, starting at the deepest, the Marshall Green seam was given the letter U; Victoria was T; Brockwell was S; Three Quarter was R; Busty was Q; Tilley was P; Harvey was N; Ruler was M; Hutton was L; Brass Thill was K; Low Main was J; Maudlin was I; Main Coal was H; Five Quarter was G.

THE QUALITY OF COAL
The quality of the coal varied and there were different uses for different types of coal.
A classification system was introduced:
A 702: Weakly caking
B 702: Weakly caking to medium
B 602: Caking
C 601/2: Medium to
C 501/b: Strongly caking
D 501: Strongly caking
E 401: Very strongly
E 301 Caking
The 301 coals were regarded as the best coking coals and this grade of coal was found in the north west of the county in the Consett area, hence Consett Steelworks and its predecessor companies located here. John Bowes’ Marley Hill Colliery extracted coking coals for its entire duration. In south west Durham, the coals were for blast furnace use and sent to the iron and steel works at Middlesbrough and Stockton. As a general rule of thumb, south west Durham coals from the Harvey seam and those above were graded as B & C, 602 & 702 and the Busty seam and those below were C & D, 501.
The map below shows the western section of the Durham Coalfield.

FAULTING OF THE STRATA IS COMMON ACROSS THE COALFIELD:
THE BUTTERKNOWLE FAULT IS ONE OF THE MORE INFAMOUS FAULT LINES RUNNING FROM BUTTERKNOWLE IN SOUTH WEST DURHAM NORTH EASTWARDS.
The diagram below show the extent of faulting around the Diamond Pit at Butterknowle.

17th CENTURY COLLIERIES IN DURHAM
The diagram below shows the location of early pits.

PRE 1800 AREAS OF COAL MINING

THE GREAT NORTHERN COALFIELD: AREAS OF DEVELOPMENT
It can be clearly demonstrated that south west Durham has been involved in coal mining since the earliest days.

DEEP MINING: SHAFT DETAILS AT THE ENGINE PIT, EVENWOOD COLLIERY & RANDOLPH COLLIERY, EVENWOOD

A MORE SOPHISTICATED MINING OPERATION AT MURTON COLIERY, EAST DURHAM
The coal seams are deeper and extend under the North Sea.

COLLIERY CLOSURES
The map below, probably dated about 1962, shows collieries in south west Durham. The Hutton Drift at Randolph Colliery, Evenwood is not shown. Perhaps it was thought that Gordon House Colliery (which is indicated) was the predominant colliery. They were worked in tandem. The map shows North Tees at Whorlton; Gordon House and Esperley Drift at Cockfield; Moor Hill Drift, east of Morley; 2 of the Ramshaw Collieries (probably Ramshaw No.1 & Gaugers Arms); Staindropfield House drift; probably Findlers Bank Drift at West Auckland; Brussleton and Haggs Lane Drift at Brussleton.

A LIST OF THE MAJOR COLLIERY CLOSURES 1947 – 1991

EARLY MINING IMAGES
Illustration to show the “Bell Pits.”

And another

BUSY MINING SCENES


THE MINERS’ WORK





WOODEN BARROW EXTRACTED FROM WOODLAND COLLIERY

A WINDLASS

AND ANOTHER

MINERS AT COCKFIELD USING THE WINDLASS
Percy & Edwin Bradley





HORSE GIN IN USE ON COCKFIELD FELL: Believed to be the 1930s and it is Mr. Sparks handling the coal tub.

BORING GEAR

BORING AT COCKFIELD: Edwin & Percy Bradley.

EXAMPLES OF MINING BOOKS FROM EARLY DAYS, 1708 & 1876, FROM WHERE MANY OF THE ABOVE ILLUSTRATIONS HAVE BEEN COPIED.

